
Ich entwickle Software-Lösungen für Hardware-Herausforderungen. Mit 9 Jahren Industrieerfahrung und einem tiefen Verständnis für beide Welten schaffe ich Systeme, die in der Praxis funktionieren und messbaren Mehrwert liefern.
✅ Praxiserprobt: 7 Jahre Servicetechniker für Windkraftanlagen & B.Eng. berufsbegleitend.
✅ Resultatorientiert: mit Erfolgen wie 95% Kostenreduktion & Performance-Steigerung von 10s auf <100ms.
✅ Aktuell: Praxisnahe KI-Integration für kleine Unternehmen.
Unten finden Sie einige meiner interessantesten Projekte. Fragen Sie mich gerne nach weiteren Beispielen, detaillierteren Informationen oder meinen hervorragenden Arbeitszeugnissen.
Eigeninitiative bei Deutsche Windtechnik (2015–2021)
"Dieses Projekt ist ein Paradebeispiel meiner Kernkompetenz: Hardware-Probleme durch intelligente Software lösen."
Quellcode, Schaltpläne und ein Video im Betrieb:
Tags: Hardware-Software-Brücke, Eingebettete Systeme, C, Mikrocontroller, Bluetooth, Windkraft
Eigeninitiative bei Deutsche Windtechnik (2015–2021)
"Die Kollegen wollten nie wieder das alte Panel benutzen."
GitHub für den Quellcode besuchen oder die App in Aktion an einer 2MW-Anlage sehen:
Tags: Mobile Development, Android, Java, C, Hardware-Integration, IoT, Windkraft
Eigeninitiative bei SIVAplan (2023–2024)
"Niemand möchte es glauben, bis sie es mit eigenen Augen gesehen haben."
Tags: Web-Performance, JavaScript, TypeScript, DOM-Optimierung, Softwarearchitektur, UI
Bachelorarbeit mit selbst gewähltem Thema (Note 1,3), AKAD University, 2022
"Ja, das IST möglich."
Die Dokumentation und der Code dieses Projekts sind auf GitHub verfügbar:
Tags: Netzwerkarchitektur, Linux, Bash, Security, Systemdesign
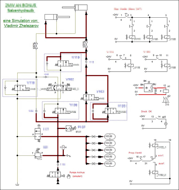
Eigeninitiative für ein besseres und tieferes Verständnis der Funktionsweise des gesamten Systems
Die Komponentennamen im Video sind aus Datenschutzgründen unkenntlich gemacht.
Sehen Sie eine Demonstration der Simulation auf YouTube:
Tags: Digital Twin, Simulation, Reverse Engineering, Hydraulik, Windkraft
Eigeninitiative zur Beschleunigung der Fehlersuche bei VCU*-Störungen
*Vinge Centrifugal Unit (Fliehkraftauslöser in der Nabe)
Sehen Sie die Schaltung in einer Live-Simulation bei Falstad (klicken Sie auf die Schalter, um Fehler auszulösen):
Tags: Windkraft, Fehlerdiagnose, Elektronik, Simulation
Open-Source Hardware-Projekt, ursprünglich als Teil meiner Smartphone-Steuerung entwickelt.
Die Schaltpläne, das Platinenlayout und der Code sind auf GitHub vollständig verfügbar.
Tags: Hardware-Design, Elektronik, Mikrocontroller, C, IoT, Windkraft
Eigeninitiative während meiner Zeit als Servicetechniker
"Endlich kein Herumirren im Nirgendwo mehr."
GitHub für den Quellcode besuchen oder die App auf YouTube ansehen
Tags: Android, Java, Navigation, Windkraft, Effizienzsteigerung
Projekt mit eigenem Thema während des Studiums
Der Quellencode und die Diagramme sind auf GitHub. Das Video dazu auf Youtube:
Tags: Hardware-Revival, Eingebettete Systeme, Android, Java, C++
Eigeninitiative bei SIVAplan (2023–2024)
Tags: Prozessautomatisierung, C#, Desktop-Entwicklung, UI, Regex
Eigeninitiative bei SIVAplan (2023–2024)
Tags: DevOps, Virtualisierung, Netzwerke, VPN, Linux, PowerShell
Eigeninitiative bei SIVAplan (2023–2024)
Tags: Datenrettung, C++, Performance, Algorithmen
Eigeninitiative bei SIVAplan (2023–2024)
"Wo Standardwege versperrt sind, baue ich eine sichere Brücke."
Tags: Systemarchitektur, Netzwerkprotokolle, JavaScript, Java, Security
Eigeninitiative bei SIVAplan (2023–2024)
Tags: Netzwerksicherheit, VPN, Linux, Firewall, Problemlösung
Eigeninitiative bei SIVAplan (2023–2024)
"Guter Code braucht gute Tests. Gute Tests brauchen gute Daten."
Tags: Qualitätssicherung, Datenbanken, Oracle, SQL, Automatisierung
Eigeninitiative bei SIVAplan (2023–2024)
"Gute Entwickler schreiben nicht nur Code, sie verbessern auch die Werkzeuge, mit denen sie arbeiten."
Tags: Entwickler-Effizienz, Automatisierung, Python, Regex, Syntax-Definition
Eigeninitiative bei PSS Interservice (2012–2014)
"Mein erster Schritt von der reinen Handarbeit zur Prozessautomatisierung."
Die Excel-Vorlage ist auf GitHub verfügbar.
Tags: Prozessautomatisierung, VBA, Excel, Problemlösung
Projektarbeit mit eigenem Thema im Rahmen des Studiums
Quellcode, Dokumentation und ein Präsentationsvideo zu diesem System:
Tags: Systemarchitektur, IoT, Spracherkennung, C++, Python, Privacy
Privates Projekt zur Vertiefung von Algorithmen, Verschlüsselung und Low-Level-Datenmanipulation in C.
Tags: IT-Sicherheit, C, Steganographie, Verschlüsselung, Algorithmen
©Vladimir Zhelezarov
Bergisch Gladbach, 30.03.2026